Description:
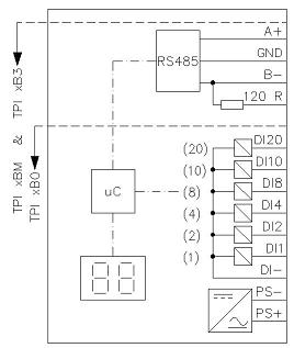
TPI is tap changer position indicator. It displays positon on two 1" high displays up to 39
positions. Device can obtain information via 6x digital inputs (BCD coding), 20 mA analog input
(in development) or resitance measurement (in development).
Power supply and digital inputs are made for standard substation voltages; 24 V DC, 48 V-60 V
DC, 110 V-125 V DC, 220 V DC and 230 V AC.
TPI is intended for mounting into panel.
TPI can be equipped with RS485 communication with Modbus or IEC 60870-5-103 protocol (in development).
Typical application:
Features:
- Up to 39 positions
- BCD digital inputs
- 24 V DC, 48 V-60 V DC, 110 V-125 V DC, 220 V DC, 230 V AC input voltage
- Panel mount 96 x 48 mm
Schematic:


Downloads:
