Description:
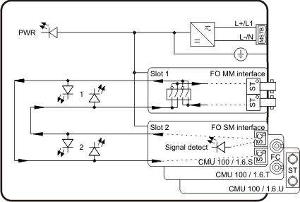
This type of CMU 100 device is multimode fiber optic to singlemode fiber optic converter. Data is simultaneously converted from multimode fiber optic to singlemode fiber optic and vice versa.
Converter has one full duplex, 820 nm wave lenght multimode fiber optic interface with up to 1,5 km distance range, with ST or SMA connector and has user changable positive (light OFF when idle) or negative (light ON when idle) logic. Second interface is full duplex 1310 nm wave lenght singlemode fiber with up to 20 km distance range with SC, FC or ST connector. Device allows data speed up to 2,048 Mbits/s.
Converter has LED indication for power and LED indication for Rx and Tx lines for each interface.
Three types of power supplies allow connection to all common station batteries: 24 V DC, 48 V-60 V DC, 110 V-220 V DC voltage. Additionaly it can be also connected to standard 230 V AC voltage.
Housing is made from Aluminum and is intended for standard DIN35 rail.
This device is intended for use in cubicles and cabinets in all kinds of power production, transmission and distribution stations. It requires no maintenace. All normaly used connectors, switches and light indicators are accessed at the front side of the device.
Features:
- Integrated power supply, so no additional power supply adaptor needed
- Wide power supply input voltage for standard station batteries supply 110 V-220 V DC, 230 V AC or 48 V-60 V DC or 24 VDC
- Enclosure size 40 mm(W) x 105 mm(H) x 111 mm(D)
- Aluminum housing, standard DIN 35 rail mount
- Communication activity LED indication on each port
- Communication speed up to 2,048 Mbit/s
- 1,5 km distance with multimode and
20 km with singlemode fiber
Overview:
![]()
![]()
![]()
![]()
![]()
![]()
![]()
![]()
Schematic:
Typical application:
Model types:
Port 1 |
Port 2 |
110 V-220 V DC, AC 230 V |
48 V-60 V DC |
24 V DC |
||
Multimode Fiber Optic |
(ST) |
Singlemode Fiber Optic | (SC) |
CMU 100 / 1.6.S - 0 |
CMU 100 / 7.6.S - 0 |
CMU 100 / 3.6.S - 0 |
(FC) |
CMU 100 / 1.6.T - 0 |
CMU 100 / 7.6.T - 0 |
CMU 100 / 3.6.T - 0 |
|||
(ST) |
CMU 100 / 1.6.U - 0 |
CMU 100 / 7.6.U - 0 |
CMU 100 / 3.6.U - 0 |
|||
(SMA) |
(SC) |
CMU 100 / 1.7.S - 0 |
CMU 100 / 7.7.S - 0 |
CMU 100 / 3.7.S - 0 |
||
(FC) |
CMU 100 / 1.7.T - 0 |
CMU 100 / 7.7.T - 0 |
CMU 100 / 3.7.T - 0 |
|||
(ST) |
CMU 100 / 1.7.U - 0 |
CMU 100 / 7.7.U - 0 |
CMU 100 / 3.7.U - 0 |
|||
Downloads:


